旋转接头设备特写:
旋转接头特点:
运转稳定 经典结构 防锈耐腐
旋转接头优点:
1、正球面密封,密封材料含稀土铜粉,耐磨性能好。
2、偏摆适应性强,可自动调整同心。
3、多石墨轴承支撑,运转同心度高
4、精密铸造。耐磨耐高温
5、可定制螺纹,法兰多种连接方式,内管固定或内管旋转多种使用方式。
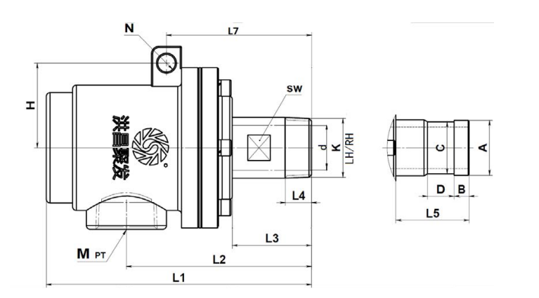
旋转接头规格尺寸:
旋转接头技术参数:
介质 | 规格 | 最高压力 | 耐温款 | 最高转速 |
导热油 | 20A-50A | 1.0MPa | 200ºC | 250RPM |
规格 | K | M | L1 | L2 | L3 | L4 | L7 | N | d | SW | H | A(d8) | B | C | D | L5 |
20A 3/4'' | R3/4'' | R3/4'' | 146 | 110 | 45 | 16.2 | 94 | 11 | 16 | 23 | 52 | 26 | 11 | 24.4 | 15 | 45 |
25A 1'' | R1'' | Rc1'' | 162 | 114 | 51 | 19 | 108 | 12 | 22 | 30 | 48.5 | 32.3 | 11 | 30.7 | 16 | 51 |
32A 1-1/4'' | R1-1/4'' | Rc14'' | 188 | 126 | 51 | 21 | 104 | 14 | 31 | 38 | 59 | 41 | 13 | 39.4 | 19 | 51 |
40A 1-1/2'' | R1-1/2'' | Rc1-1/4'' | 212 | 148 | 63 | 21 | 116 | 14 | 36 | 44 | 67.5 | 47.5 | 13 | 45 | 23 | 63 |
50A 2'' | R2'' | Rc1-1/2'' | 233 | 161 | 64 | 25.5 | 120 | 15 | 47 | 56 | 76.5 | 59 | 16 | 56.7 | 23 | 64 |

点击图片显示大图
旋转接头连接方式:


旋转接头工作原理:
98098彩票网是一家致力于管路及管路接头和流体密封,集研发、设计、生产、销售、服务于一体的专业厂家,是各种管道流体密封的专业厂家。
洪昌聚发主要生产各种规格型号的旋转接头、不锈钢金属软管、波纹管补偿器和橡胶软接头。产品适用于使用不同介质、温度、压力、连接方式和工况,并广泛的配套应用于钢铁、航天、造纸、印染、化工、橡胶、石油、塑料、电力、食品、包装、 印刷、玻璃、医药、木业等各个行业。
我公司长期不断的对产品进行技术的改革创新,使生产的产品更加的质优价廉、美观方便,让客户永远享受到更优质的产品。
欢迎拨打24小时全国销售热线:13927701075