旋转接头设备特写:
旋转接头特点:
德国密封 日本弹簧 球磨铸铁 自动同心
旋转接头优点:
1、球面密封结构,德国进口浸金属密封环。
2、精密铸造,球磨铸铁,耐磨损,耐高温。
3、多石墨轴承支撑,同心度高。
4、偏摆适应性强,可自动调整同心。
5、耐高温日本进口材料弹簧。
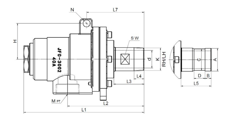
旋转接头规格尺寸:
旋转接头技术参数:
介质 | 规格 | 最高压力 | 耐温款 | 最高转速 |
导热油 | 20A-50A | 1.0MPa | 300ºC | 250RPM |
规格 | K | M | d | L1 | L2 | L3 | L4 | L7 | SW | N | H | A(d8) | B | C | D | L5 |
25A 1'' | R1'' | Rc1'' | 23 | 192 | 120 | 43 | 19 | 94 | 31 | 15 | 56 | 32.3 | 11 | 30.7 | 15 | 52 |
32A 1-1/4''5 | R1-1/4'' | Rc1-1/4'' | 31 | 217 | 132 | 45 | 21 | 99 | 40 | 11 | 68 | 41 | 13 | 39.4 | 19 | 55 |
40A 1-1/2'' | R1-1/2'' | Rc1-1/2'' | 35.5 | 248 | 156 | 58 | 21.2 | 116 | 44 | 15 | 75 | 47.5 | 13 | 45 | 23 | 64 |
50A 2'' | R2'' | Rc2'' | 47 | 268 | 173 | 59 | 25.5 | 122 | 57 | 15 | 85.5 | 59 | 16 | 56.7 | 23 | 66 |

点击图片显示大图
25A-50A 单向式 旋转接头连接方式:

旋转接头结构细节示意图:
25A-50A 单向式
98098彩票网是一家致力于管路及管路接头和流体密封,集研发、设计、生产、销售、服务于一体的专业厂家,是各种管道流体密封的专业厂家。
洪昌聚发主要生产各种规格型号的旋转接头、不锈钢金属软管、波纹管补偿器和橡胶软接头。产品适用于使用不同介质、温度、压力、连接方式和工况,并广泛的配套应用于钢铁、航天、造纸、印染、化工、橡胶、石油、塑料、电力、食品、包装、 印刷、玻璃、医药、木业等各个行业。
我公司长期不断的对产品进行技术的改革创新,使生产的产品更加的质优价廉、美观方便,让客户永远享受到更优质的产品。
欢迎拨打24小时全国销售热线:13927701075